Der Traum vom eigenen Camper ist für viele mehr als nur ein Hobby – es ist ein Schritt in Richtung Freiheit, Unabhängigkeit und Abenteuer. Doch bevor du mit deinem Van die Welt erkundest, steht eine große Aufgabe an: der Camper Ausbau. Wenn du noch ganz am Anfang stehst findest du in unserem Blogbeitrag zum Camper Ausbau viele hilfreiche Tipps zur Planung und Inspiration.
Wir haben während des gesamten Ausbaus eine genaue Buchhaltung geführt und alle Campervan Ausbau Kosten in eine Tabelle eingetragen. Angefangen von den Schrauben bis zu der Standheizung oder den Solarzellen ist alles dabei. Du kannst dir die PDF-Datei mit allen Links zu den verwendeten Produkten hier kostenlos runterladen.
Teileliste hier runterladen
Träumst du auch davon deinen eigenen Camper auszubauen und die Welt auf vier Rädern zu entdecken? Dann bist du hier genau richtig! In diesem Camper Ausbau Guide zeigen wir dir Schritt für Schritt, wie du dein Camper Ausbau Projekt richtig planst und worauf du beim Selbstausbau achten musst – von der ersten Planung über die richtige Fahrzeugwahl bis hin zur Kostenplanung, dem Zeitplan oder der Elektrik. Ob du ganz am Anfang stehst oder schon mitten im Umbau bist: Hier findest du alle wichtigen Informationen, Tipps zum Camper Ausbau.
Warum einen Camper selbst ausbauen?
Stehst du noch vor der Entscheidung, ob du ein fertig ausgebautes Wohnmobil kaufen oder selber einen Camper ausbauen willst? Wir wollten unseren Camper exakt an unsere Wünsche und Bedürfnisse anpassen, sowohl vom Layout her als auch vom Design und der Farbgestaltung. Die meisten Wohnmobile sehen alle gleich aus und gefallen uns persönlich nicht. Für uns war klar: wir bauen unseren Camper selber aus!
Anders als fertig gekaufte Wohnmobile, bietet dir ein DIY Camper maximale Individualität. Du kannst das Fahrzeug genau auf deine Bedürfnisse anpassen – sei es für Wochenendtrips oder Langzeitreisen. Allerdings ist der Camper Ausbau auch ein großes Projekt, welches nicht unterschätzt werden sollte, sowohl zeitlich als auch finanziell.
Es gibt nicht wenige, die sich motiviert einen leeren Transporter kaufen und mit dem Ausbau beginnen und einige Monate später merken, dass sie das Projekt unterschätzt haben und den halb ausgebauten Camper wieder verkaufen. Um einen Camper auszubauen benötigst du genügend Zeit, einen geeigneten Ort (bestenfalls eine Halle), viel Werkzeug und handwerkliches Geschick. Glücklicherweise kann man sich heute viel Wissen selber aneignen.
Vorteile und Nachteile vom DIY Camper
| Vorteile | Nachteile |
|---|---|
| Flexibilität beim Basisfahrzeug | Ausbau ist sehr zeitintensiv und kann sich über viele Monate ziehen |
| Oft kostengünstiger als ein fertiges Wohnmobil | Genug Durchhaltevermögen und Eigenmotivation nötig |
| Individuelle Gestaltung und Aufteilung | Nicht so günstig wie man oft denkt |
| Persönlicher Bezug zum Fahrzeug | Bei Problemen bist du selbst veranwtortlich |
| Das Erfolgserlebnis wenn du fertig bist |
Welcher Fahrzeugtyp passt zu deinem Camper Ausbau?
Bevor du mit dem Ausbau loslegen kannst, steht eine der wichtigsten Entscheidungen an: Welches Basisfahrzeug soll es werden?
Die Auswahl des passenden Basisfahrzeugs für den Camper Ausbau hängt von vielen verschiedenen Faktoren ab und kann so pauschal nicht beantwortet werden. Nicht jeder Transporter ist automatisch ein guter Camper. Du solltest bei der Auswahl auf Größe, Zustand, Ausstattung und Zuladung achten. Die meisten großen Transporter haben ein zulässiges Gesamtgewicht von 3.5 Tonnen. Wir haben bei unserer Suche allerdings auch Transporter gesehen, die nur ein zulässiges Gesamtgewicht von 3.2 Tonnen haben. Dann kann mit der Zuladung schnell eng werden. All diese Kastenwagen gibt es in unterschiedlichen Längen und Höhen. Wir haben uns für einen sechs Meter langen Fiat Ducato entschieden, auch bekannt als L3H2.
Die gängigsten Modelle für den Camper Ausbau sind:
-
-
-
-
-
-
-
-
-
-
- VW Transporter
- Fiat Ducato, Peugeot Boxer, Citroen Jumper
- Mercedes Sprinter
- VW Crafter
- Renault Master
- Ford Transit
- Iveco Daily
-
-
-
-
-
-
-
-
-
Was kostet der Camper Ausbau?
Setz dir bei deinem Camper Ausbau ein grobes Budget und recherchiere vorher, wie viel unterschiedliche Bauteile kosten. Aus eigener Erfahrung nach drei Camper Ausbau Projekten können wir dir sagen: alles ist teurer als gedacht und man kann sich bei den Kosten schnell verschätzen. Gerade Kleinteile summieren sich, aber auch Komponenten wie Armaflex, Fenster, die Wasserversorgung und die Elektrik im Camper sind nicht günstig.
| Wasserfilter* | Riva Alva Explorer Overland Set | 309,00€ |
| Wasserpumpe* | Lilie Druckpumpe Soft LP4121, 8L/Min | 109,95€ |
| Frischwassertank* | 126 Liter | 146,21€ |
| Abwassertank* | Fusion EV2222, 93 Liter | 187,50€ |
| Ablasschieber Abwassertank | 3 Zoll | 32,40€ |
| Warmwasserboiler* | Elgena Nautic Compact, 10L, 230V/500W | 449,00€ |
| Duschwanne* | 60 x 60cm | 69,00€ |
| Duscharmatur* | Set | 71,99€ |
| Ablaufgarnitur* | Dometic Siphon AC 535, 25 mm | 21,00€ |
| Trockentrenn Einsatz* | Separat Privy 501 | 93,90€ |
| Spülbecken* | Einbauspühle Edelstahl | 47,95€ |
| Gesamtpreis Wasserversorgung | 2.232,69€ |
|---|
👉🏼 Hier findest du eine detaillierte Kostenaufstellung: Campervan Ausbau Kosten
Die richtige Planung für deinen Camper Ausbau
Wenn du dich für ein Basisfahrzeug entschieden hast, kannst du dir über den Grundriss und das Layout Gedanken machen. Nimm dir Zeit um deine Bedürfnisse und Reisepläne zu analysieren. Jeder Camper ist individuell und bestenfalls auf die eigenen Bedürfnisse angepasst. Kompromisse bei dem Bau muss man eigentlich immer eingehen, ein kleines Haus auf so wenigen Quadratmetern zu bauen ist schließlich nicht einfach.
-
-
-
-
-
- Für wie viele Personen soll der Camper gebaut werden?
- Wie lange möchtest du mit dem Camper unterwegs sein?
- Querbett oder Längsbett? Sitzecke?
- Soll eine Toilette und eine Dusche eingebaut werden?
- Planst du Reisen in warme oder kalte Regionen?
- Möchtest du den Ausbau komplett in Eigenregie machen?
- Wie hoch ist dein Budget für Fahrzeug und Ausbau?
-
-
-
-
In unserer Van Ausbau Anleitung zeigen wir dir Schritt für Schritt, in welcher Reihenfolge wir die verschiedenen Arbeitsschritte umgesetzt haben. Angefangen von der Rostentfernung und dem Fenstereinbau bis zur Unterkonstruktion und dem Möbelbau. Zu jedem Arbeitsschritt findest du einen ausführlichen Blogbeitrag, wo wir alle einzelnen Arbeitsschritte nochmal ganz detailliert erklären.
Fehler beim Camper Ausbau vermeiden
Ein Camper Ausbau ist ein großes Projekt und sehr zeit-und kostenintensiv. Fehler gehören dazu und lassen sich oft nicht vermeiden, hinterher ist man immer schlauer. Es gibt allerdings einige Punkte, die sich ganz einfach vermeiden lassen. Dazu gehören unter anderem:
-
-
-
-
-
- das falsche Basisfahrzeug
- der Ausbau wiegt zu viel
- zu wenig Budget
- nicht genug erreichbarer Stauraum
- falsche Maße
- unzureichende Stromversorgung
-
-
-
-
Camper Ausbau Ideen & Inspiration
Bist du auf der Suche nach Inspiration für den Camper Ausbau? Es gibt so viele verschiedene Möglichkeiten und Ideen deinen Ausbau zu verwirklichen und deiner Kreativität sind keine Grenzen gesetzt. Hier ein paar Ideen, die du individuell kombinieren kannst:
-
-
-
-
-
- Längsbett mit Sitzecke: innerhalb von zwei Minuten ist das Bett zur Sitzecke umgebaut
- Querbett mit Sitzecke davor
- Ausziehbares Bett
- Doppelsitzbank oder Drehsitze
- Nasszelle mit Dusche und Toilette
- Festes Gaskochfeld in der Küche mit Gaskasten
- Outdoor Küche
-
-
-
-
Hier findest du ganz viel Inspiration: 26 Camper Ausbau Ideen für deinen Van
Wie lange dauert der Camper Ausbau?
Die Van Ausbau Dauer ist sehr individuell und jeder benötigt unterschiedlich viel Zeit. Wenn du berufstätig bist und nur an den Wochenenden und nach dem Feierabend ausbauen kannst, dann musst du deinen Zeitplan dementsprechend planen. In solch einem Fall ist es nicht ungewöhnlich, ein oder sogar zwei Jahre für den Van Ausbau zu benötigen. Wir haben unsere Camper gemeinsam in Vollzeit ausgebaut und haben etwa drei Monate gebraucht. Auch die Planung nimmt viele Stunden in Anspruch. Tagsüber haben wir gebaut, abends wurde recherchiert und Teile bestellt.
👉🏼 Hier findest du mehr Infos: So lange dauert der Van Ausbau

Fenster und Dachluken für den Camper Ausbau
Die gängigsten Fenster beim Camper Ausbau sind Austellfenster* und Schiebefenster. Schiebefenster haben den Nachteil, dass man sie bei Regen nicht geöffnet lassen kann, ohne dass es hineinregnet. Austellfenster öffnen sich hingegen nach oben und somit kann man sie auch bei Regen leicht geöffnet lassen.
👉🏼 Beitrag: Fenster einbauen im Camper | Van Ausbau
Dämmung für den Campervan Ausbau
Es gibt viele sinnvolle Gründe, warum man seinen zukünftigen Campervan isolieren sollte. Man atmet im Van, kocht und wir möchten sogar eine Dusche einbauen. Dabei entsteht eine Menge Luftfeuchtigkeit. Vor allem an Regentagen wird es dann schwierig, wenn man nicht viel lüften kann und es draußen kalt ist. Außerdem ist eine Wohnmobil Isolierung nicht nur wichtig, damit die Wärme im Winter drin bleibt, sondern auch, damit sich das Auto im Sommer nicht so aufheizt. Zusätzlich wirkt es auch als eine Art Geräuschdämmung.
Armaflex* ist ein Kautschukmaterial und ist bei den Van Ausbauern sehr beliebt. Der Hersteller wirbt mit der Eigenschaft der Tauwasserverhinderung und der leichten Verarbeitung. Armaflex hat eine niedrige Wärmeleitfähigkeit, nimmt keine Feuchtigkeit auf und ist schwer entflammbar. Durch die selbstklebende Folie ist es wirklich einfach zu verwenden und lässt sich auch gut an einer runden Karosserie anbringen. Allerdings gibt es verschiedene Arten von Armaflex und nicht alle sind für den Camper Ausbau geeignet.
👉🏼 Beitrag: Camper isolieren mit Armaflex | Van Ausbau
Bodenplatte beim Camper Ausbau
Damit die Kälte oder auch die Wärme von außen nicht durch den Fußboden in unseren Camper drückt, muss der Fahrzeugboden unter der Bodenplatte ebenfalls isoliert werden. Um die Bodenplatte im Camper zu verlegen benötigen wir eine Unterkonstruktion. Die Bodenplatte soll nämlich nicht direkt auf dem Fahrzeugboden aufsitzen, sondern der Boden wird auch noch mit Armaflex gedämmt. Durch die Unterkonstruktion kann die Bodenplatte zudem mit dem Fahrzeugboden verschraubt werden und daran werden später ja auch die Möbel befestigt.
👉🏼 Hier findest du eine ausführliche Anleitung: Bodenplatte und Bodenbelag beim Camper Ausbau
Elektrik verlegen
Bevor die Wände im Van verkleidet werden, wird zunächst die Elektrik verlegt. Dafür sollte man sich überlegen, wo später welche Lichtquellen platziert werden. Anschließend werden Kabel und Schalter installiert, da sie später hinter der Wandverkleidung verschwinden.
Die Elektrik im Van zu verbauen ist nichts für Anfänger und es sollten die vorgeschriebenen Sicherheitsregeln und Vorschriften eingehalten werden. Falls du dir das nicht zutraust greif lieber auf einen zertifizierten Elektriker zurück, welcher dir die benötigten Komponenten sicherlich gerne einbauen wird. Bestellst du die Bauteile vorher selbst und sprichst mit ihm alles genau ab, wird der Einbau auch nicht all zu teuer.
Unterkonstruktion und Wandverkleidung beim Camper Ausbau
Es gibt verschiedene Möglichkeiten die Wandverkleidung im Camper zu gestalten, wie etwa mit Sperrholz, Filz, Profilholz oder Stoff.
Dafür benötigen wir erst einmal ein Grundgerüst, woran wir unsere Bretter verschrauben können. Damit wir nicht jede Schraube in die Blechwand unseres Transporters bohren müssen, bauen wir an den Holmen ein Holzgerüst auf. Mit Blechschrauben befestigen wir die Holzlatten an den Fahrzeugholmen. Auf diesen Holmen werden wir unsere eigentliche Wandverkleidung anbringen. An dieser Stelle kannst du dir auch schon überlegen, wo du Nietmuttern* befestigen möchtest. An diesen kann man dann später die Möbel befestigen.
👉🏼 Hier findest du mehr Infos: Unterkonstruktion und Wandverkleidung beim Camper Ausbau
Möbelbau im Camper
Nun kann es endlich mit dem Möbelbau losgehen. Dieser Teil macht unserer Meinung nach am meisten Spaß. Bevor man anfängt sollte man natürlich genau wissen, wo welche Möbel stehen sollen und auch die Hängeschränke müssen geplant werden. Zuerst haben wir unser Bett und die Sitzecke gebaut. Danach bauen wir unsere Nasszelle und anschließend die Küchenzeilen. Die Hängeschränke bauen wir zum Schluss. Alle Produkte für den Innenausbau findest du in unserem Camper Ausbau Shop.
👉🏼 Hier findest du alle Beiträge: Möbelbau im Camper
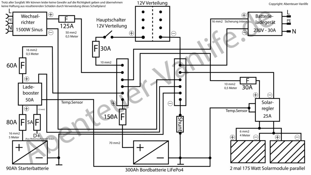
Elektrik im Camper
Die Stromversorgung ist das Herzstück von unserem autarken Camper. Es ist wichtig, den Stromverbrauch im Voraus möglichst genau einzuschätzen, um die passende Ausstattung auszuwählen und zu verbauen.
Zuerst solltest du dir also folgende Fragen stellen:
-
-
-
-
-
- Wie lange möchte ich in meinem Camper unterwegs sein? Sind es zwei kürzere Urlaube im Jahr oder eine Langzeitreise?
- Werde ich meistens auf Campingplätzen stehen und dort den Strom nutzen oder lieber autark unterwegs sein?
- Wie hoch ist mein Strombedarf? Möchte ich im Sommer unterwegs sein oder auch im Winter?
- Welche elektrischen Geräte möchte ich in meinem Van betreiben?
- Wie sollen die Reserven aufgeladen werden – mittels Solarmodulen, während der Fahrt über die Lichtmaschine oder auf Campingplätzen am Landstrom?
- Welche Batterie möchte ich einbauen?
- Wie viel Platz habe ich zur Verfügung und wie sieht es mit dem Gewicht aus?
-
-
-
-

Um über mehrere Tage vollkommen autark zu sein haben wir eine 200Ah LiFePO4 Batterie* eingebaut. Die Lithiumbatterie lädt beim Fahren über einen 50 Ampere starken Ladebooster*.
Auf dem Dachträger haben wir zudem zwei 175 Watt Solarzellen* und können so mittels Sonnenenergie unsere Batterie laden. Unsere Lebensmittel halten wir mit einem 98 Liter großen Kompressorkühlschrank kühl. Außerdem bauen wir einen 2000W Wechselrichter* ein, mit dem wir eine kleine Kaffeemaschine betreiben können und unsere Laptops und Kameraakkus laden können. Die Elektrik ist ein sehr umfangreiches Thema und bedarf einer guten Planung.
👉🏼 Alle Informationen zu der Elektrik im Camper findest du hier: Camper Elektrik
Wasserversorgung im Camper
Bevor du mit der Planung der Wasserversorgung beim Camper Ausbau startest musst du wissen, wie lange du mit deinem Camper unterwegs sein möchtest und welche Verbraucher du einbauen möchtest.
-
-
-
-
-
- Wie viele Tage möchtest du autark sein ohne das Wasser aufzufüllen?
- Welche Verbraucher möchtest du einbauen? Dusche, Toilette, Spülbecken?
- Wie sieht deine Stromversorgung aus? Möchtest du warmes Wasser?
- Sollen die Wassertanks fest verbaut oder herausnehmbar sein?
-
-
-
-

Wir haben in unserem Fiat Ducato eine Nasszelle, bestehend aus einer Dusche und einer Trockentrenntoilette eingebaut. Dazu haben wir in unserer Küche ein Waschbecken mit einem Kaltwasser,- und einem Warmwasseranschluss. Da wir das Wasser aus unserem Camper trinken, haben wir einen Wasserfilter von Riva* eingebaut.
👉🏼 Eine ausführliche Übersicht findest du hier: Wasserversorgung im Camper
Heizung beim Camper Ausbau
Nie wieder frieren! Möchtest du mit deinem Camper auch bei kälteren Temperaturen unterwegs sein und es trotzdem gemütlich warm haben? Dann solltest du dir überlegen eine Heizung einzubauen. Ob du wirklich eine Standheizung brauchst, hängt von deinem Reiseverhalten, deinen Bedürfnissen und deinem Kälteempfinden ab.
Auch die Dämmung des Fahrzeugs spielt eine entscheidende Rolle. In einem schlecht oder gar nicht isolierten Fahrzeug entfaltet auch die stärkste Heizung nicht ihr volles Potential. Wir haben uns für eine Dieselstandheizung* entschieden. Diese benötigt keinen zusätzlichen Treibstoff, sondern nur den Diesel aus dem eigenen Fahrzeugtank. Eine Dieselstandheizung in den Camper einbauen ist sehr lohnenswert und bringt viele Vorteile mit sich. So kann man bei Wind und Wetter unterwegs sein und wenn es draußen kalt ist, macht man im Camper einfach die Heizung an und hat es drinnen angenehm warm.

👉🏼 Mehr Infos findest du hier: Dieselstandheizung im Camper einbauen
Wohnmobil Zulassung
Die meisten Transporter sind als LKW angemeldet. Die KFZ Versicherung für LKWs ist zeimlich teuer und für Wohnmobile deutlich günstiger. Durch den Umbau des Fahrzeuges entsteht eine neue Fahrzeugart und die Betriebserlaubnis ist nicht mehr gültig. Deswegen solltest du deinen fertigen Van am Ende zum Wohnmobil ummelden. Für die Wohnmobil Zulassung gibt es verschiedene Voraussetzungen:
-
-
-
-
-
- Sitzgelegenheit mit Tisch
- Schlafgelegenheit
- Kochmöglichkeit
- Schrank oder Stauraum
-
-
-
-
👉🏼 Hier findest du mehr Infos: Voraussetzungen und Tipps für die Wohnmobilzulassung
Fazit: Camper Ausbau beginnt mit der richtigen Planung
Der Weg vom leeren Transporter zum gemütlichen Camper ist ein echtes Abenteuer und benötigt neben einer guten Planung auch viel Ausdauer und Lernbereitschaft. Doch wir finden, dass genau darin der Reiz liegt: Du gestaltest dir dein ganz persönliches Zuhause auf Rädern – individuell, funktional und nach deinen eigenen Vorstellungen. Wir sind sehr stolz auf unseren Ausbau und für uns gibt es nichts schöneres, als mit unserem Van die Welt zu entdecken. In unseren 16 Camper Ausbau Tipps findest du noch mehr praktische Tipps und Erfahrungen für deinen Van Ausbau.




































